Inspire the light of the future era and use technology to empower thousands of industries!
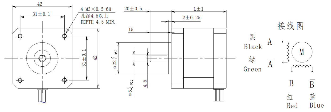
42 series 0.9° two-phase open loop stepper motor
The 42 series 0.9° two-phase two-phase hybrid stepper motor is a mechanical device that directly converts electrical pulses into angular positions. The speed depends on the number of pulses. It and the matching stepper motor drive device together form a set of simple control and low-cost open-loop system. When used with encoders and peripheral drive systems, it can become a low-cost stepper servo system (closed-loop system).
Rated voltage: 24V
Step angle: 0.9°
Inductance: 70mH
Holding torque: 2200gf.cm
Moment of inertia: 34g.c㎡
Application areas: medical, robotics, textiles, security equipment, 3D printing, etc.

