Inspire the light of the future era and use technology to empower thousands of industries!
35 series reduction stepper motor
1.35 series reduction stepper motor has large torque and low noise; precision rolled steel teeth meshing, high concentricity, decibel level less than 55dB.
2. Beautiful and elegant appearance.
3. Simplified assembly; integrated clamping ring input shaft, easy and reliable installation, more stable transmission.
4. Fast delivery, high cost performance; lifetime lubrication, maintenance-free, low maintenance cost.
Motor parameters:
The stepper motor is not a constant torque motor. The higher the operating speed, the smaller the output torque. Therefore, while paying attention to the motor's torque holding parameters, more attention should be paid to the motor's output torque at the actual operating speed (refer to the torque-frequency characteristic diagram); and we recommend reserving a 1.5-fold margin to avoid the stepper motor losing steps in overload conditions.

Reducer parameters:
When selecting a reducer, the rated output torque of the reducer and the torque-frequency characteristic curve of the motor should be considered to determine whether they meet the use requirements and multiply the transmission efficiency. It is recommended that the input speed of the stepper motor be less than 800rpm and that of the brushless motor be 3000≤rpm. The final torque should be less than the rated torque to avoid reducing the service life of the reducer.

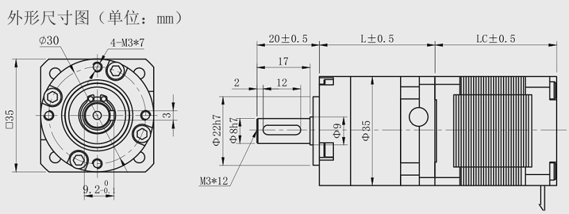
Dimensions
