Inspire the light of the future era and use technology to empower thousands of industries!
28 series 1.8° two-phase closed loop stepper motor
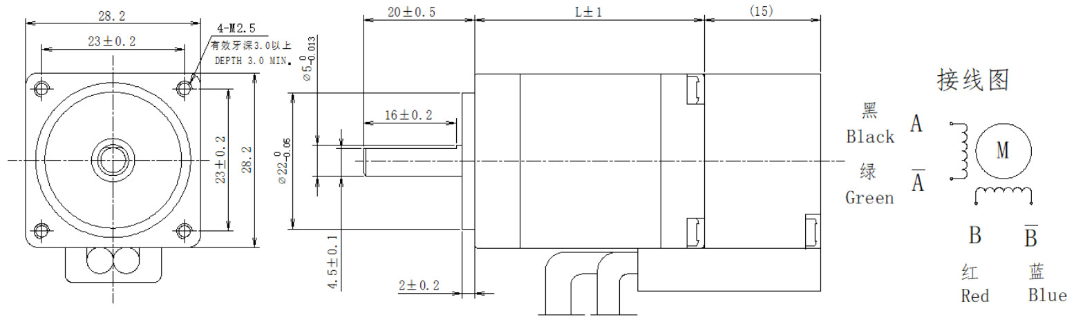
28 series 1.8° two-phase closed-loop stepper motor with encoder. Stepper motor is a mechanical device that directly converts electrical pulses into angular positions. The speed depends on the number of pulses. It and its matching stepper motor drive device together form a set of simple and low-cost open-loop system. When used with encoders and peripheral drive systems, it can become a low-cost stepper servo system (closed-loop system).
Encoder type: photoelectric/magnetic
Step angle: 1.8°
Inductance: 10mH
Holding torque: 600gf.cm
Application areas: medical, robotics, textiles, security equipment, 3D printing, etc.

